☆.このページは詳論です。
概論に戻りたい方はここをクリックして下さい。
縮尺されたブロック図や回路図はダウンロードすると全て見る事が出来ます。
詳論ではCLK=1MHz、指定負荷抵抗8Ωのものだけを報告することにします。
☆.トップの写真は出力のLPFです。
コイルは11.4μH線径1.2φ巻き数29回でコアは米国マイクロメタルズ社のカーボニル鉄トロイダル1.06インチ、コンデンサは0.047μFです。
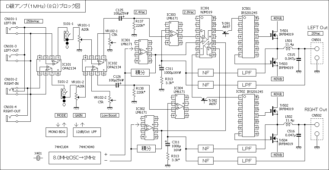
☆.ブロック図

PDFファイルをご覧になりたい方は
をクリックして下さい。
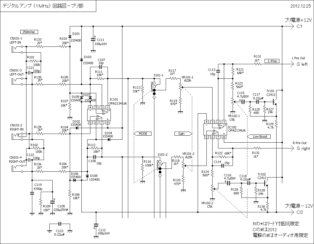
☆.プリアンプ回路図

PDFファイルをご覧になりたい方は
をクリックして下さい。
検討の対象でないアクセサリ回路は省略しました。
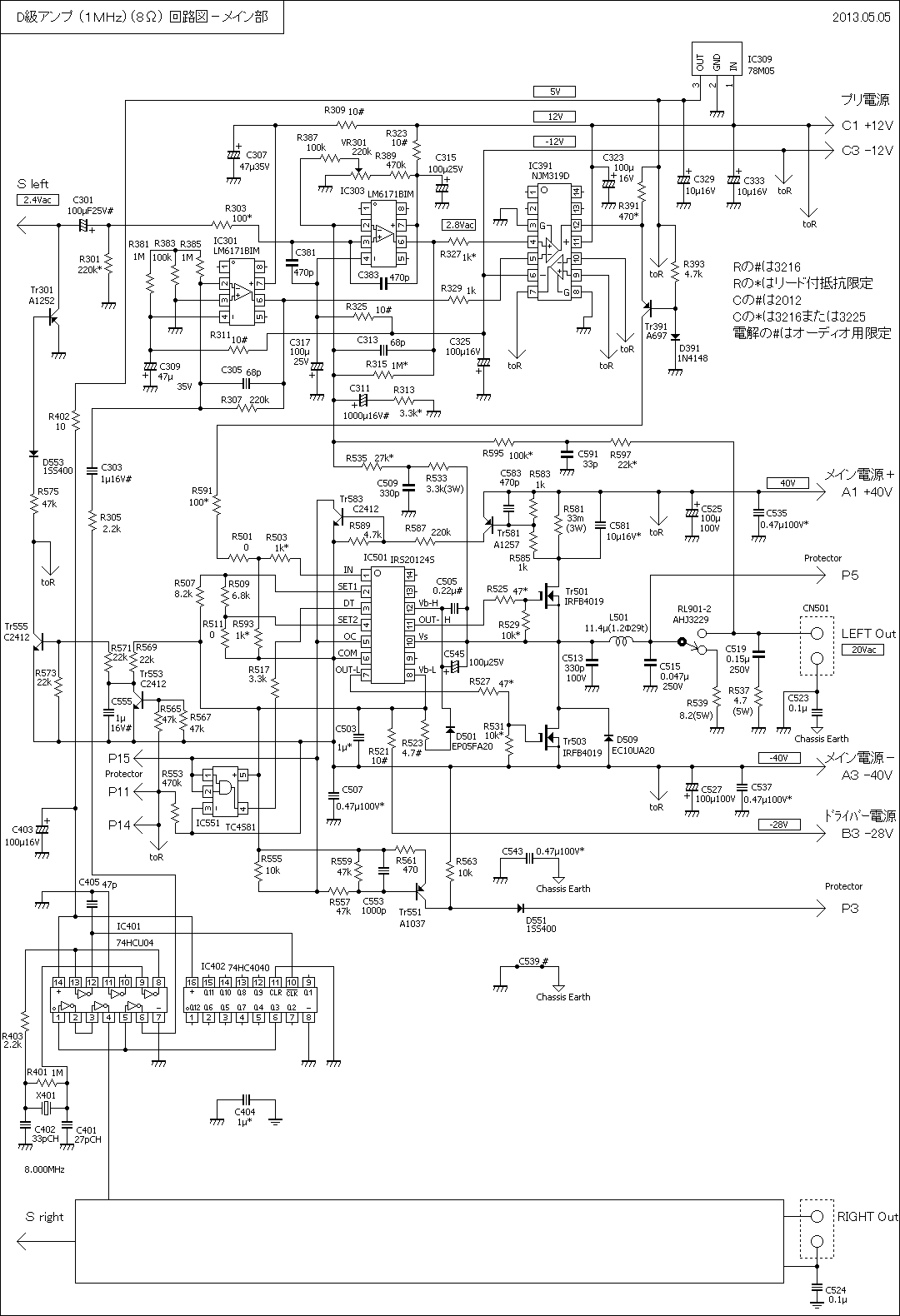
☆.メインアンプ回路図

PDFファイルをご覧になりたい方は
をクリックして下さい。
1.アナログ・プリアンプ段(IC101、102)
ベースとしてはカー用附加アンプを使用しましたので、入力条件は定格入力200〜250mV程度で、平衡入力として回路が動作するようにしてあります。
その為、入力をオペアンプのプラス入力とマイナス入力で受け、アースは準フロートにしました。
これを初段のオペアンプ(IC101)で通常の不平衡回路に変換しました。
次の段(IC102)とその周辺においてアクセサリ回路を構成しながらメインアンプの入力レベルまで増幅しました。ただし、アクセサリ回路は省略。
IC101とIC102は音質および歪率の観点から改良機においてはOPA2134UAを使うことにしました。
プリアンプ出力レベルはAB級アンプの場合は0.8〜1Vにしますが、当機においては2.4Vとなっています。
超低域を伸ばすため、カップリングコンデンサはプリアンプ出力とD級アンプのアナログアンプ段の入力を結ぶ部分だけにしました。
次の写真は使用したオーディオ用電解コンです。

2.D級アンプのアナログアンプ段(IC303、304)
アナログアンプ段はプラス入力には前段からの信号が入り、マイナス入力にはNFBが入ります。
NF信号はPWMですからアナログアンプと比べれは高周波成分が過大です。
その為、TRで組む事もありますが、ここではLM6171と言う超高速ICを使いました。
スルーレート3,600V/μS、帯域幅100MHz、いずれもTYPです。
マイナス入力に前段からの信号を入れる方法もありますが、カップリングコンデンサが大容量になりカットオフ周波数を下げにくくなること、および入出力が反転するので、プラス入力に信号を入れる方法としました。
この為、470pFでプラス入力を±両電源に結び安定化しました。
この様子を写真に示します。

3.CLKの積分(IC301、302)
アナログアンプ段で使ったLM6171を使いました。
次に1MHz三角波の波形を掲載します。

4.PWM化
コンパレータは空中配線のNJM319Dですが、コンパレータ出力から後続回路へ電圧シフトするためのPNPトランジスタの周辺定数を変更して高速化しました。
5.D級アンプドライバ
100W級D級アンプドライバ、プロテクタ回路付きとしては当時IR社のIRS20124Sが最も優れいていたと思います。
ただ、100W用のプロテクタ回路としては若干不十分なところがあったので、外付けでカバーしてあります。
ところで、この部分で特筆すべきはC545、100μF25Vです。
この容量は400kHzのブートストラップだけで考えれば1μFとか2.2μFで十分です。
しかし、ある場所での試聴において、低域信号で回路から定格出力を超える出力が出た時、つまり、クリップ出力が出た時、スピーカーから通常のクリップ歪とは違う音が出たのです。
原因はブートストラップによって作られる上段用のB電圧が下がってしまう事でした。
そこで、ひとつの目安として20Hzの過大入力、過大出力(方形波出力)においても上段用のB電圧が下がらないようにしました。
その結果の出力を次の図で示します。

クリップ波形のプラスマイナスのラインが完全平坦でないのはAC100V整流平滑後のリップルの残りです。
6.出力MOSFET
CLK=1MHzであるため、米国IR社のIRFB4019と言う同社の中でも最も高速度のものを使いました。

7.LPF
米国マイクロメタルズ社のカーボニル鉄トロイダルコア、コアサイズ1.06インチに1.2φ銅線を29回手巻きしたものです。
トップの写真がそれです。
次にLPFの入力側(黄)と出力側(青)の1MHzの写真を掲載します。

F特を伸ばしたためにCLKの残留は増えています。
8.NFB
LCのLPFの内側からのNFにはR=3.3kΩとC=330pFのLPFを挿入してあり、その内側に本来的なNF抵抗27kΩがあります。
また、スピーカーリレーの外側から22kΩと33pFのLPFを経由して100kΩでNFを加算しています。
LPFの外側からのNFには多少の歪率改善効果があるようですが、このNF量を増やしてもそれ以上の効果はありませんでした。
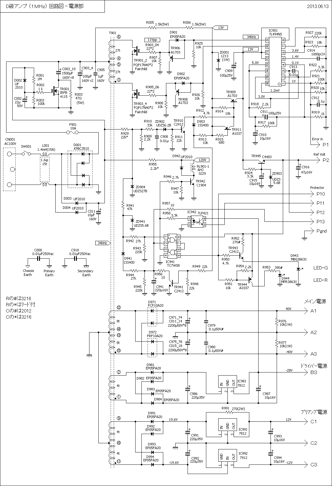
☆.電源のAC100V化
このアンプには当初からスイッチング電源が搭載されていますが、元の電源をAC100Vにするので直接整流したDC130Vにする事にしました。
まず最終的な電源部全体の回路図を示します。

PDFファイルをご覧になりたい方は
をクリックして下さい。
変更点を電源入力から順に列記すると下記のようになります。
@.AC整流平滑回路の追加
A.スイッチングMOSFETの高耐圧化とトランスの変更
B.スイッチング回路のB電圧140V化とスロースタート化
C.スピーカーリレーのDC140V化
説明は全くの逆順序で行います。
C.スピーカーリレーのDC140V化
当機においてはスピーカーに直列のリレーを入れていますが、これをDC140Vで駆動するようにDC100〜110V用のものにしました。
B.スイッチング回路のB電圧140V化と
スロースタート化
DC140Vから3kΩと15VツェナーによりDC12〜15Vをつくりました。
省エネ的にするなら研究テーマ1のように切替回路を付けて、電源立ち上り後はトランス2次に巻線を追加して作ったDC12〜15Vを使うようにすれば良いのですが、省略しました。
スロースタート化はC911を100μFにすることで実現しています。
この方法は研究テーマ1と同様です。
A.スイッチングMOSFETの高耐圧化と
トランスの変更
この回路ではMOSFETはAC100Vの整流平滑電圧の2倍以上の耐圧が必要なので、耐圧400VのFQP17N40(Fairchild 最大電流17A)を2並列にしました。
トランスはTDKのEE型フェライトコアのものを使用しました。
それが次の写真です。

@.AC整流平滑回路の追加
この部分は完全に追加なのですが、方法としては30mm巾の実験基板を背面パネルに取り付け、本体基板と接続するようにしました。
その様子が概論で示した写真です。
この基板は本体基板やACインレットや電源スイッチとコネクターで接続されており、簡単に外すことができます。
また、AC直接整流は電源スイッチON時に大きな突入電流が流れますので、回路図のTR001及び周辺回路による緩和回路を入れました。
電源投入時には12,000μFには47Ωを経由して充電電流が流れ、突入電流を約3Aにとどめ、充電電流が減少したスイッチONから0.8〜1.1秒後にTr001がONとなります。
この様子を次に示します。

黄色がTr001のドレイン電圧、青はTr001のゲート電圧です。
☆.その他
電源スイッチとボリュームを前面パネルに配置しましたが、CLK1MHzの飛びつきを回避するためにアルミ箔でボリューム本体と接続コネクタを次の写真のように覆っています。

前面パネルを簡単に外すことが出来るようにシールド線の途中にコネクタが入っています。
☆.AC直接整流と音質
1.コモンモードコイル
音質的には通常的な電源トランスがないので電源プラグの差し込み方向による音質対策ができません。
この為、コモンモードコイルによるラインフィルタを挿入することにしたのですが、コイルのインダクタンスと銅線の抵抗によって音質が左右されることが分かりました。
最初、線径はアンプの定格出力に対する1次電流には十分という程度の線材を使用して、インダクタンス的には十分と思える3.9mHを入れました。
これで試聴してみたところ美しい音にはなりましたが、DC駆動時にあったはずの重低音の馬力感が全くと言って良いほどなくなってしまいました。
試みにコモンモードコイルを外したところ重低音の馬力感は出てきましたが、音質的には濁ってしまいました。
そこで両立する方法を探すことにしました。
1mHも試してみましたが、結局、コイルのインダクタンスが片側約1.4mHで、電線は直径1.6φ、巻数は15回、コアはアモルファス鉄芯で実使用上のAL値が約6400のもので音質的な濁りはなくなったと思います。
最初と最後のコイルの写真を掲載します。

巻き方が均一ではありませんが、問題ありません。
しかし、本来的にはコアを1サイズ大きいものにするべきです。
残るは重低音の馬力感です。
2.平滑コンデンサ
試聴しているうちにスピーカーの低域共振周波数付近のボーーンという音が耳につく音になっていることに気が付きました。
つまり、低域共振周波数付近ではアンプによってスピーカーが制御され難い場合にスピーカーが共振と減衰振動をすることになるのです。
その結果、ともすると良く低音が出ていると勘違いするのですが、原音とは違う音だと思います。
そこでAC100V整流後の平滑コンデンサを3,000μFから6,000μFにし、スイッチングトランス後の2次側平滑コンデンサを±8,000μFから±16,000μFにしました。
これで締まった音になりましたが、馬力感としてはまだA−10W改2に及ばないのです。
3.スイッチングトランス
次にスイッチングトランスのコアを1段大きいものにし、巻線もより断面積の大きいものにすることにしました。

左から右への変更で、コアが体積で5%大きい程度なのですが、巻線が巻線スペースいっぱいになっているのが分かります。
最初のトランスと後のトランスの巻線方法の違いの表を次に示します。

表の見方は研究テーマ1の追加論と同じですが、巻線方法が最上段から最下段に変わりました。
次はマウント状況の写真です。

これで試聴してみたのですが、変化は全くありませんでした。
ただ、巻数を若干変更して2次電圧を少し下げて適正出力にしました。
4.再びコンデンサ増量
これを最後にしたいと思い、AC100V整流後の平滑コンデンサを6,000μFから12,000μFにしました。
2次側の増量を含めたマウント状況が次の写真です。

試聴した結果、満足すべきレベルに到達したと感じました。
共振感がなく力強い重低音、歪み感のない美しい中高域、共振感のない打撃音が出たと思います。
以上
延長論をご覧いただける方はここをクリックして下さい。
このページのトップへ戻りたい方はここをクリックして下さい。
トップページ(目次)へ戻りたい方はここをクリックして下さい。