☆.このページは2020年2月に完成し、翌年2月に温度対策をした40W・DCアンプ編です。
ACアンプ編 をご覧になりたい方はここをクリックして下さい。
さて、トップの写真はLR各々40W/8Ω(歪率 数%)の真空管OTLアンプですが、中身はDCアンプです。
本機は当初は通常的な真空管OTLアンプ(ACアンプ)として製作したのですが、2018年の前半に金田式DCアンプを知った事から全真空管のままDCアンプに出来ないかと考えて製作したものです。
よって、この章では基本的な本機の構成と前身となるACアンプからの変更点について記することとします。
次に後から見た写真を掲載します。

次にアンプの裏側の写真を掲載します。

増幅基板と電源基板が大きく変わっています。
☆.動機
2014年にスタートして10Wアンプ、40W・ACアンプと進んできましたが、前記したようにDCアンプ化しようと思うに至りました。
☆.コンセプト
製作するにあたっての着眼点は次のようにしました。
☆.増幅回路内には一切の半導体を用いない真空管OTL・OCLのDCアンプを作る事です。
☆.回路について
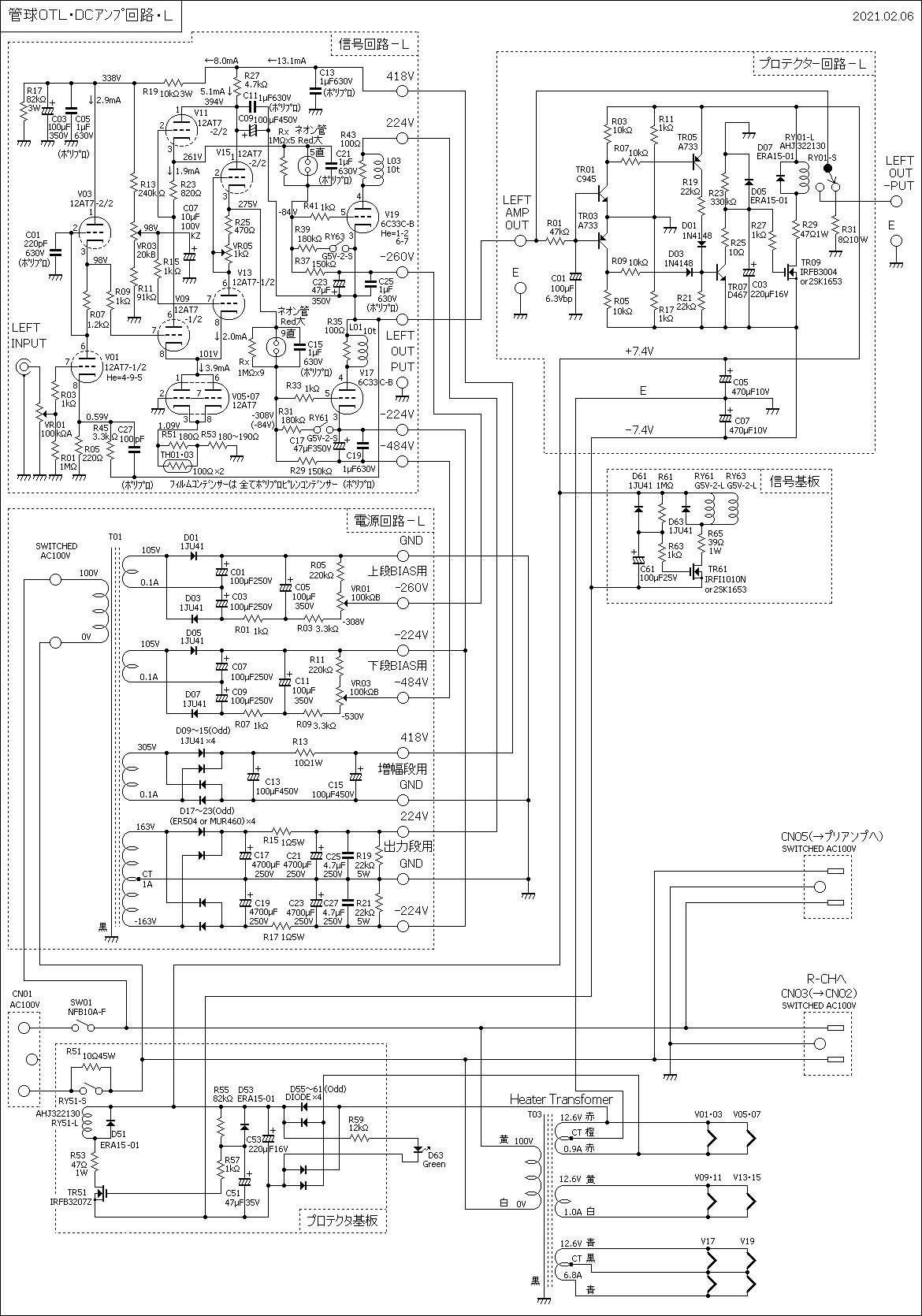
1.増幅回路
次にDCアンプ化した増幅回路図(L)を掲載します。

PDFファイルをご覧になりたい方は
をクリックして下さい。
V01からV15までは電圧増幅段で加銅鉄平氏が推奨するSRPP式回路で作ったもので、ACアンプ時と基本構成は同じです。
V01、V03は初段で下段のカソードにNFが帰ります。
V05からV15は2段目で、V09、V11はSEPPの上段出力用、V13、V15は同下段出力用で、V13はグリッド接地の位相反転用です。
さて、DC化の為の第1のポイントですが、ACアンプではV13のグリッドがV09と同電圧になるようにしていますが、DCアンプでは半固定VRのVR03で電圧を調整して出力点直流電圧がゼロVになるようにします。
これによりグリッド接地関係のRとCによる時定数から解放されます。
なお、この回路図にあるC07は高域の飛び付き防止の為であり、時定数ではありません。
☆.V05・V07のカソード抵抗部分に温度対策を入れました。
2021.02.06
サーミスターはEPCOSと言うドイツの会社のNTC(負特性)タイプです。
次にサーミスター近傍の写真を掲載します。

☆.ネオン管
DC化の第2のポイントは増幅2段目と出力管を結ぶカップリングコンデンサーの部分に交流信号だけでなく直流を通す事です。
トランジスターと違って真空管にはPNPがありませんので2段目の出力点直流電圧からSEPPの上段と下段のグリッド電圧まで電圧をシフトしなければなりません。
シフトの手段には高圧のツェナーダイオードを使っても良いのですが、今回は半導体を使わないと決めたのでネオン管を使いました。
しかし、調べたところ、ネオン管の信号通過特性が20〜30kHz以上で急激に信号が通らなくなる(F特が落ちる)事が分かりました。
クロスオーバー式に小容量を付加しても良いかも知れませんが、可聴周波数全域を通す容量のコンデンサーを付け、DCから超低域のみをネオン管で伝送するという形にしました。
この為、見かけ上はカップリングコンデンサーC15、C21が容量が変わらずに残存する事になりましたが直流伝送用のネオン管が並列していますので、グリッド抵抗との組み合わせで生ずる時定数からは解放されています。
RY61、RY63はネオン管の励起終了用で、電源投入から約20秒後にONします。
これは電源投入時にはネオン管に規定電圧より20〜30%以上高い電圧をかけて励起する必要があるからです。
ネオン管励起終了用の遅延回路は後出の電源制御図内に『信号基板』と書かれている部分に書かれています。回路本体は信号基板内に置きました。
今回使用したネオン管ですが、テーブルタップなどのAC100Vの表示用に使用されている小型のものです。
ネオン管の定電圧特性を調べる為にまず5個購入し電流対電圧特性を調べました。その結果の図を次に掲載します。

ツェナーダイオードに似た特性である事が分かりましたので、さらに30個を購入し電圧の分布を調べました。その結果の図表を次に掲載します。

この図を見ると電圧が56Vから79Vまでの広い範囲に分布することが分かります。
そこで、200V程度の直流電源を使い直列抵抗を接続して微少電流を流し1本1本の電圧を測り、ネオン管にビニールテープを貼って電圧を記入し区別しました。その一部を次に掲載します。

なお、ネオン管の電圧は方向により変化するものがありますので、その場合は極性を表示する必要があります。
結果的には上段用には5本、下段用には9本を必要なシフト電圧を勘案しながら選択して直列し、さらに不点灯防止の為に各々に1MΩを並列しました。
ネオン管にはバイアス電流として約0.7mA流しています。
実際に点灯している状況の写真を次に掲載します。

☆.ブートストラップ
DC化の第3のポイントですが、DCアンプでもC09、C11のコンデンサー使用によるブートストラップを残しました。
これは音質重視の為に+側出力と−側出力が共にプレートフォロアーになるようにした為です。
これによる音質の違いは非常に微妙で、違いがあると言えばあるという程のものです。
しかし、最後のワンステップではないかと思います。
ツェナーダイオードやネオン管を並列してバイアス電流を流して直流まで結合させても良いのですが、NF付加後の仕上りのF特としては100kHz付近を除けばブートストラップの有無で0.1dBの変化もなく、コンデンサーが開放する直流域ではブートストラップではなくなるものの、DCアンプであることに変わりはありません。
つまり可聴周波数を大切にしたDCアンプであると考えます。
次にL−CHの信号回路基板の写真を掲載します。但し、温度対策前のものです。

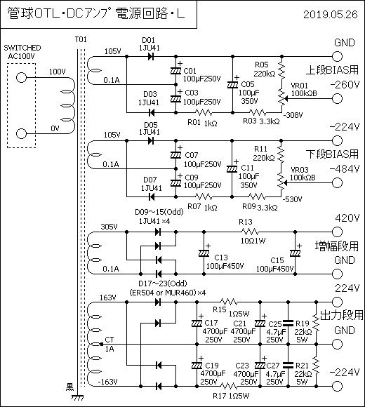
2.電源回路
先ず、トランスや大型コンデンサーを含むL−CHの電源回路図を掲載します。

PDFファイルをご覧になりたい方は
をクリックして下さい。
電源回路は出力管のバイアスが固定バイアスではなくなりますが、当初はネオン管にどの程度の励起電圧をかけなければならないかも分からない時に電源回路を設計しトランスを発注しましたので、必要以上に高い電圧を作り半固定VRで電圧を決めるようにしました。
現在バイアス電源はカソード電圧を基準にして−260Vにしていますが、これはバイアス電圧が−90Vと仮定した時に探し求めた値です。
6C33C−Bのバラツキにより、例えば−100Vが必要とすれば、バイアス電源は−270Vで良いかも知れませんが、−290Vにしなければならないかも知れません。
次にL−CHの電源回路基板の写真を掲載します。

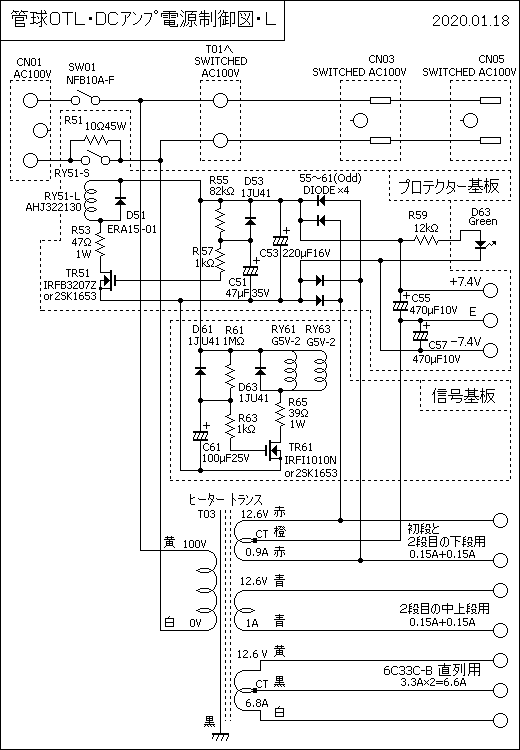
3.突入電流緩和回路とネオン管励起終了回路
次にヒータートランスや突入電流緩和回路とネオン管励起終了回路を含んだL−CHの電源制御図を掲載します。

PDFファイルをご覧になりたい方は
をクリックして下さい。
この図の上から2段目辺りにある『プロテクター基板』という括りの中にあるのが突入電流緩和回路です。
また、同じく中段の『信号基板』という括りの中にあるのがネオン管の励起終了用の遅延回路です。
この回路の為の電源、+7.4Vと−7.4Vを出す為にプロテクター基板を改造しましたが、省略します。
4.プロテクター回路
次にL−CHのプロテクター回路の回路図を掲載します。

PDFファイルをご覧になりたい方は
をクリックして下さい。
このプロテクタ回路はアンプの出力端子にプラスでもマイナスでも約600mVのDCが現れた場合にスピーカーをリレーでカットしますが、電源ON時の遅延回路も内部に含んでいます。
真空管回路は裸利得がトランジスターより低いため、出力点DC電圧は結果としてACアンプの固定バイアスより変動が大きいことが分かりました。
この為、ACアンプの時のR13とR14をショートしました。
安全面は大丈夫と思います。
DCアンプは出力真空管のペア性の程度により出力点DC電圧の安定までに非常に長い時間を要します。
この為、ON時間調整用の時定数はR23を大きくして更に長いものにしました。
スピーカーリレーのOFF側にも8.2Ωの抵抗がつけてありますが、真空管OTLは出力端開放時と負荷時で出力点DC電圧の変動が大きい可能性があるので負荷を同等化しようとしてつけました。
これはACアンプの時には必須でしたが、DCアンプでは必須ではないかも知れません。
☆.全体回路図
全体回路図をBMPとPDFで掲載します。
☆.L−CH

回路図は縮尺されていますが、図中で右クリックして、更にボタン操作をしてダウンロードするとA4で見る事が出来ます。
PDFファイルをご覧になりたい方は
をクリックして下さい。
R−CHは電源のスイッチ、突入電流緩和回路とACアウトレットがないだけですので省略します。
☆.測定データ
今回はブートストラップのコンデンサー容量を『無し』、『1μF』、『101μF』と変えてみて違いがどのように出るか試してみました。
1.周波数特性
次に縦軸を拡大した周波数特性を掲載します。

2.歪率特性
先ず20Hzの歪率を掲載します。

次に1kHzの歪率を掲載します。

次に20kHzの歪率を掲載します。

3つのグラフを較べてみると容量が中間の1μFの時の歪率カーブが周波数によって101μFに近かったり『無し』に近かったりします。
また101μFの20Hzの歪率は同容量の1kHzの歪率とほぼ同等であることが分かります。
この2点から101μFあれば可聴周波数内の歪率に問題がない事が分かり、同時に直流域や超低周波域でも歪率がやや悪くなる程度の違いであることが分かります。
☆.音質について
2019年12月の江川工房でこのアンプと研究テーマ12の真空管プリアンプを組み合わせて聞いて頂きまして、音楽が聞こえた、水準以上の音だという評価を頂きました。
ブートストラップを残したDCアンプであることで得られた音質であると考えます。
☆.ご注意 その他
当回路に使用している12AT7、ネオン管および6C33C−Bは直流的なバラツキが大きいので回路図通りに製作しても期待通りに仕上がる可能性は薄いと思います。
NFは20dB程度かかっていますが、バラツキを吸収出来る程ではないようです。
また、6C33C−Bは過電流により内蔵のヒューズが切れる可能性があり、十分な注意が必要です。
例えば、最初は6C33C−Bは挿さずに通電し、V11とV15のカソード電圧が240〜260Vになるように球を選別するかR23やR25を調整すると良いでしょう。
筆者は十分な数の12AT7を用意出来ず、最良範囲を逸脱したままになっています。
ネオン管は例えば平ピンのICソケットを利用(一列に加工)して差し替えを容易にして出力管のグリッド電圧がカソード電圧より90V程度低くなるのを確認してから出力管を挿すのが安全です。
ただし、出力管のバラツキにより必ずしも90Vが適切という訳ではありません。
筆者は基板写真にあるようにICソケットを利用しませんでした(思いつかなかった)ので、ネオン管の差し替えに非常に手間がかかり、最良点を出すことが出来ませんでした。
☆.V05・V07のカソード抵抗を抵抗+サーミスターに変更しました。
2021.02.06
ただし、真空管のバラツキにより抵抗値を変更する必要があるかも知れませんので注意が必要です。
☆.最後に
信号回路内に半導体を使わない真空管OTLの大出力DCアンプが出来ました。
無線と実験(MJ)の2020年5月号に当アンプの記事が掲載されました。
バックナンバーの購入は不可能ではないとの事です。
以上
このページのトップへ戻りたい方はここをクリックして下さい。
ACアンプ編へ戻りたい方はここをクリックして下さい。
トップページ(目次)へ戻りたい方はここをクリックして下さい。